Hydrauliset sovittimet on valmistettu laadukkaista standardeista, jotka täyttävät tai ylittävät maailmanlaajuiset standardit, kuten SAE ja ISO. Hydrauliikkasovittimemme toimitetaan kahdella rungon tyylillä, juotettuna tai väärennettyinä. Yleisempiä näistä kahdesta on väärennetty tyyli, koska niillä on virtaviivainen ulkoasu, ne on usein helpompi asentaa ja ne ovat halvempia valmistaa. Vaikka kaikkia varusteita ei ole toimitettu yhdessä tai toisessa, varastot poistuvat juottamalla ne lopulta pois käytöstä.
Tarjoamme täyden valikoiman metrisiä hydraulisovittimia ja -liittimiä, mukaan lukien BSPP, BSPT, Metric ja 30 ° Seat. YH Hydrauliset metriset puristusliittimet ovat erittäin kestäviä tärinälle ja luovat vahvoja, luotettavia ja vuotamattomia liitoksia. Ne täyttävät tai ylittävät kaikki SAE-, ISO- ja DIN-standardit. Niiden leikkausrenkaan rakenne vaimentaa hydraulijärjestelmän tärinän vaikutuksia. Valmistettu kolmiarvoisessa kromaattilevityksessä.
JIS NPT-sovittimeen
1SN-sovitinliittimet ovat JIS-GAS-uros 30 asteen kartio NPT-uroskierteisiin. 1SN-liittimet valmistetaan kooltaan 1/4 '- 2' ', jotka täyttävät useimmat asiakkaiden vaatimukset. Tarjoamme laadukkaita tuotteita kansallisille markkinoille ja maailmalle. Tarjoamme huoltopalvelua ja ongelmanratkaisuja.
√ Osanro: 1SN (JIS-GAS-uros, 60 °: n koira, NPT-uros)
Izes Koot: 04-32 on valmistettu yleisesti YH Hydraulic -laitteistosta. Muut koot ovat hyväksyttäviä, jos piirustukset, näytteet tai pyynnöt toimitetaan yksityiskohtaisesti
√ Materiaali: hiiliteräs 45 (yleisesti käytetty); ruostumaton teräs tai messinki (saatavilla)
√ Tuotantostandardi: Voittaja on sama kuin Eaton
√ Merkki: YH; mutta tuotteissa ei ole merkkiä, lukuun ottamatta sitä
Ples Näytteet: alle 5kpl ovat maksuttomia laadun tarkistamiseksi
JIS NPT-sovittimen piirustukseen

Teknisten tietojen taulukko
| 代号 | 螺纹 THREAD | 尺寸 MITAT | ||||
| OSA NO. | E | F | A | B | S1 | L |
| 1SN-04 | G1 / 4" X19 | Z1 / 4" X18 | 15 | 14 | 17 | 35 |
| 1SN-04-02 | G1 / 4" X19 | Z1 / 8" X27 | 15 | 10 | 17 | 31 |
| 1SN-04-06 | G1 / 4" X19 | Z3 / 8" X18 | 15 | 14 | 19 | 35 |
| 1SN-04-08 | G1 / 4" X19 | Z1 / 2" X14 | 15 | 19 | 22 | 41 |
| 1SN-06 | G3 / 8" X19 | Z3 / 8" X18 | 16 | 14 | 19 | 36 |
| 1SN-06-04 | G3 / 8" X19 | Z1 / 4" X18 | 16 | 14 | 19 | 36 |
| 1SN-06-08 | G3 / 8" X19 | Z1 / 2" X14 | 16 | 19 | 22 | 43 |
| 1SN-08 | G1 / 2" X14 | Z1 / 2" X14 | 19 | 19 | 22 | 46 |
| 1SN-08-04 | G1 / 2" X14 | Z1 / 4" X18 | 19 | 14 | 22 | 41 |
| 1SN-08-06 | G1 / 2" X14 | Z3 / 8" X18 | 19 | 14 | 22 | 41 |
| 1SN-08-12 | G1 / 2" X14 | Z3 / 4" X14 | 19 | 19.5 | 27 | 48.5 |
| 1SN-12 | G3 / 4" X14 | Z3 / 4" X14 | 23 | 19.5 | 30 | 52 |
| 1SN-12-08 | G3 / 4" X14 | Z1 / 2" X14 | 23 | 19 | 30 | 52 |
| 1SN-12-16 | G3 / 4" X14 | Z1" X11.5 | 23 | 24 | 36 | 58 |
| 1SN-16 | G1" X11 | Z1" X11.5 | 25 | 24 | 36 | 60 |
| 1SN-16-12 | G1" X11 | Z3 / 4" X14 | 25 | 19.5 | 36 | 55.5 |
| 1SN-20 | G1.1 / 4" X11 | Z1.1 / 4" X11.5 | 29 | 25 | 46 | 66 |
| 1SN-24 | G1.1 / 2" X11 | Z1.1 / 2" X11.5 | 30 | 25 | 50 | 68 |
| 1SN-32 | G2" X11 | Z2" X11.5 | 35 | 29 | 70 | 81 |
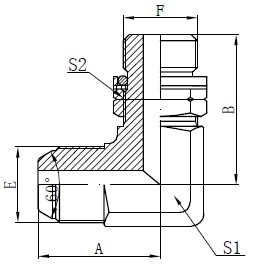
BSP O-rengas Säädettävä Stud
1SG9-OG-tyyppiset liittimet ovat 90 asteen kyynärpää JIS GAS uros 60 asteen kartio BSP-uros-o-renkaan säädettäväksi. Koot 1/4 "- 1,1 / 2" valmistetaan YH Hydraulicissa. Yksityiskohdat näkyvät teknisissä tiedoissa taulukossa. Toivotamme asiakkaita tarjoamaan meille joitakin ehdotuksia tai kommentteja, jotka voivat parantaa kykyämme tuotantoon ja käyttöön.
√ Osanro: 1SG9-OG (90 ° JIS-GAS-uros, 60 °: n koira BSP: n urosrenkaan säädettävään pulttiin)
√ Materiaali: hiiliteräs (hyväksytty); Ruostumaton teräs ja messinki ovat hyväksyttäviä
√ Pintakäsittely: Sinkitty (valkoinen tai keltainen); kromattu; nikkelillä
√ OEM-palvelu: käytettävissä näytteinä; suunnittelu
Ples Näytteenotto: alle 3kpl yhteensä on maksuton tuotteiden laadun testaamiseen.
BSP O-rengas Säädettävä Stud-piirustus
Teknisten tietojen taulukko
| 代号 | 螺纹 THREAD | 尺寸 MITAT | ||||
| OSA NO. | E | F | A | B | S1 | S2 |
| 1SG9-04OG | G1 / 4" X19 | G1 / 4" X19 | 27 | 31 | 14 | 19 |
| 1SG9-06OG | G3 / 8" X19 | G3 / 8" X19 | 29 | 36 | 17 | 22 |
| 1SG9-08OG | G1 / 2" X14 | G1 / 2" X14 | 37 | 43 | 22 | 27 |
| 1SG9-12OG | G3 / 4" X14 | G3 / 4" X14 | 43 | 49 | 27 | 32 |
| 1SG9-16OG | G1" X11 | G1" X11 | 49 | 53 | 33 | 41 |
| 1SG9-20OG | G1.1 / 4" X11 | G1.1 / 4" X11 | 57 | 59 | 44 | 50 |
| 1SG9-24OG | G1.1 / 2" X11 | G1.1 / 2" X11 | 59 | 65 | 50 | 55 |
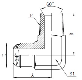
JIS GAS Elbow Connectors
1ST4 -sarjan sovitinliittimet ovat 45 asteen kyynärpää JIS GAS uros 60 asteen kartio, jossa BSPT uroskierre. Täydelliset koot 04 - 32 ovat mukana päivittäisessä tuotannossamme. Yksityiskohdat on esitetty alla ja "teknisissä tiedoissa". Voit mennä etsimään tarvittavat kohteet ja koot.
√ Osanro: 1ST4 (45 ° JIS-GAS-uros, 60 ° C, jossa on BSPT-uroskierre)
√ Merkki: YH; standardi on Eatonin tuotanto
√ Toiminto: koneiden sisällä olevien osien liittäminen nesteen, kuten öljyn ja veden välittämiseen
√ Materiaalit: rauta; hiiliteräs; ruostumaton teräs; muut erityiset metallit
Face Pinta: Cr + 3; Cr + 6 sinkitty; kromattu
√ Toimitusaika: alle 25 päivää tilauksen tai laskun mukaan
JIS GAS Elbow Connectors Piirustus
Teknisten tietojen taulukko
| 代号 | 螺纹 THREAD | 尺寸 MITAT | |||
| OSA NO. | E | F | A | B | S1 |
| 1ST4-04 | G1 / 4" X19 | R1 / 4" X19 | 22 | 22 | 14 |
| 1ST4-04-02 | G1 / 4" X19 | R1 / 8" X28 | 22 | 22 | 14 |
| 1ST4-04-06 | G1 / 4" X19 | R3 / 8" X19 | 22 | 22 | 17 |
| 1ST4-04-08 | G1 / 4" X19 | R1 / 2" X14 | 27 | 27 | 22 |
| 1ST4-06 | G3 / 8" X19 | R3 / 8" X19 | 22 | 22 | 17 |
| 1ST4-06-04 | G3 / 8" X19 | R1 / 4" X19 | 22 | 22 | 17 |
| 1ST4-06-08 | G3 / 8" X19 | R1 / 2" X14 | 27 | 27 | 22 |
| 1ST4-08 | G1 / 2" X14 | R1 / 2" X14 | 27 | 27 | 22 |
| 1ST4-08-06 | G1 / 2" X14 | R3 / 8" X19 | 27 | 27 | 22 |
| 1ST4-12 | G3 / 4" X14 | R3 / 4" X14 | 33 | 33 | 27 |
| 1ST4-12-08 | G3 / 4" X14 | R1 / 2" X14 | 33 | 33 | 27 |
| 1ST4-16 | G1" X11 | R1" X11 | 37 | 37 | 33 |
| 1ST4-16-12 | G1" X11 | R3 / 4" X14 | 37 | 37 | 33 |
| 1ST4-20 | G1.1 / 4" X11 | R1.1 / 4" X11 | 40 | 40 | 44 |
| 1ST4-24 | G1.1 / 2" X11 | R1.1 / 2" X11 | 47 | 47 | 50 |
| 1ST4-32 | G2" X11 | R2" X11 | 55 | 55 | 65 |
Voittaja Standard AK -asennus
AK-sarjan varusteet ovat JIS-metrisiä 60 °: n kartio-tee, joka valmistetaan päivittäin tehtaallamme. Suosittuja kokoja näytetään teknisten tietojen taulukossa piirustusten ja yksityiskohtien avulla. Valmistamamme varusteet perustuvat Winnerin tuotantostandardiin, joka on nyt sama kuin Eaton. Liitännät voivat myös täyttää monia suosittuja hydraulinesteen standardeja.
√ Osanro: AK (JIS metrinen uros 60 asteen kartio)
√ Tyypit: suorat liitokset; 45 asteen kyynärpäät; 90 asteen kyynärpäät; kolme päätä; ylittää
√ Koot: M14 - M33, jotka on valmistettavissa tehtaallamme
√ Threads: Metric; JIS-metriikka; BSP; BSPT; NPT; JIC; ORFS; toiset
√ Varasto ja toimitusaika: monia varusteita pidetään varastotuotteina, jotta toimitusaikaa voidaan lyhentää.
Voittajan vakio AK-kiinnitys
Teknisten tietojen taulukko
| 代号 | 螺纹 | MITAT | |
| OSA NO. | THREAD E | A | S1 |
| AK-14 | M14x1.5 | 25 | 14 |
| AK-16 | M16x1.5 | 26 | 17 |
| AK-18 | M18X1.5 | 27.5 | 19 |
| AK-22 | M22X1.5 | 30 | 22 |
| AK-24 | M24X1.5 | 40 | 27 |
| AK-30 | M30X1.5 | 43 | 33 |
| AK-33 | M33X1.5 | 43 | 33 |
Säädettävät Stud-liittimet
1DH4-OG-adapterisarja on 45 asteen metrinen uros 24 asteen raskas tyyppi säädettävä nasta. Laadun teräksen tuotannossa on korkea laatu. Ja kaikki koneet ovat kehittyneet tehtaallamme, jotta voimme toimittaa laadukkaita tuotteita. Voimme myös tarjota asiakkaille erityisiä sovittimen liittimiä, jos piirustukset, näytteet tai vaatimukset esitetään.
√ Osanro: 1DH4-OG (45 ° metrinen uros 24 ° raskas tyyppi säädettävä nasta)
√ Prosessi: piirustusten, näytteiden ja tarkkojen kokojen mukaan
√ Koneet ja vaiheet: tarkkuus CNC-sorvi, lävistys, kitkapuristin, jyrsinkone, takominen, leimaus jne.
√ Ominaisuus: sopii korkeatasoiseen mekanismiin
√ Toimitus: FOB (Ningbo) on lähin satama; alle 30 päivää yhdelle tilaukselle, jos useimmat tuotteet vaativat tuotannon
Säädettävät Stud-liittimet Piirustus
Teknisten tietojen taulukko
| LANKA | MITAT | ||||||
| OSA NO. | E | F | TUBE OD D1 | A | B | S1 | S2 |
| 1DH4-14-12OG | M14x1.5 | M12x1.5 | 6 | 22 | 30 | 14 | 17 |
| 1DH4-16-14OG | M16x1.5 | M14x1.5 | 8 | 22 | 31 | 17 | 19 |
| 1DH4-18-16OG | M18X1.5 | M16x1.5 | 10 | 24 | 34 | 19 | 22 |
| 1DH4-20-18OG | M20x1,5 | M18X1.5 | 12 | 27 | 37 | 22 | 24 |
| 1DH4-24-22OG | M24X1.5 | M22X1.5 | 16 | 33 | 40 | 27 | 27 |
| 1DH4-30-27OG | M30X2 | M27X2 | 20 | 33 | 48 | 27 | 32 |
| 1DH4-36-33OG | M36X2 | M33X2 | 25 | 37 | 50 | 33 | 41 |
| 1DH4-42-42OG | M42X2 | M42X2 | 30 | 40 | 54 | 44 | 50 |
| Huomautus: Jos olet halunnut tilata sovittimen täydelliseen sarjaan leikkurirenkaalla ja mutterilla, on välttämätöntä lisätä osanumero "RN". Esimerkiksi: 1DH4-24-22OG / RN. | |||||||
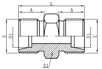
Sulkevien tiivisteiden sovittimen liittimet
1DB-WD-sarja on metrinen uros 24 asteen raskas tyyppi ja BSP, jossa on suljettu tiiviste. Koot 04-24 ovat yleisesti tuotettuja ja myydään YH Hydraulicissa. Tuotteet tulevat enimmäkseen mietoa terästä ja ruostumatonta terästä. Korkeaa tarkkuutta ohjaa CNC-valmistus. Luotettavana toimittajana emme ainoastaan tarjoa laadukkaita tuotteita, vaan myös mukavaa palvelua hyvän yritystoiminnan luomiseksi.
√ Osanro: 1DB-WD (metrinen uros 24 ° raskas tyyppi; BSP, jossa on kiinnitettävä tiiviste)
√ Materiaali: Asennusosa: mieto teräs; Suljettu tiiviste: kumi
√ Tyyppi: tuki, jossa myydään täydellinen sarja leikkausrenkailla ja muttereilla
Q MOQ-käytäntö: 300PCS - 500PCS jokaista kohdetta
√ Toimitusaika: FOB (Ningbo) tai CIF (asiakkaan satama) hyväksyttävä; toimitusaika on alle 30 päivää yhden tilauksen osalta (jäljennökset)
Sulkeva tiivisteen sovittimen liittimet Piirustus
Teknisten tietojen taulukko
| LANKA | MITAT | |||||
| OSA NO. | E | F | TUBE OD D1 | A | B | S1 |
| 1DB-14-04WD | M14x1.5 | G1 / 4" X19 | 6 | 13 | 12 | 19 |
| 1DB-16-04WD | M16x1.5 | G1 / 4" X19 | 8 | 13.5 | 12 | 19 |
| 1DB-16-06WD | M16x1.5 | G3 / 8" X19 | 8 | 13.5 | 13.5 | 22 |
| 1DB-18-04WD | M18X1.5 | G1 / 4" X19 | 10 | 13.5 | 12 | 19 |
| 1DB-18-06WD | M18X1.5 | G3 / 8" X19 | 10 | 13.5 | 13.5 | 22 |
| 1DB-18-08WD | M18X1.5 | G1 / 2" X14 | 10 | 13.5 | 16 | 27 |
| 1DB-20-04WD | M20x1,5 | G1 / 4" X19 | 12 | 13.5 | 12 | 22 |
| 1DB-20-06WD | M20x1,5 | G3 / 8" X19 | 12 | 13.5 | 13.5 | 22 |
| 1DB-20-08WD | M20x1,5 | G1 / 2" X14 | 12 | 13.5 | 16 | 27 |
| 1DB-22-08WD | M22X1.5 | G1 / 2" X14 | 14 | 14 | 16 | 27 |
| 1DB-24-06WD | M24X1.5 | G3 / 8" X19 | 16 | 14 | 13.5 | 27 |
| 1DB-24-08WD | M24X1.5 | G1 / 2" X14 | 16 | 14 | 16 | 27 |
| 1DB-24-12WD | M24X1.5 | G3 / 4" X14 | 16 | 14 | 18.5 | 32 |
| 1DB-30-12WD | M30X2 | G3 / 4" X14 | 20 | 18 | 18.5 | 32 |
| 1DB-42-20WD | M42X2 | G1.1 / 4" X11 | 30 | 20 | 20.5 | 50 |
| 1DB-52-24WD | M52X2 | G1.1 / 2" X11 | 38 | 22 | 23 | 55 |
| Huomautus: Jos olet halunnut tilata sovittimen täydelliseen sarjaan leikkurirenkaalla ja mutterilla, on välttämätöntä lisätä osanumero "RN". Esimerkiksi: 1DB-14-04WD / RN. | ||||||
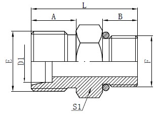
Metriset laippaliittimet
6C-sarja on metrinen uros 24 asteen valotyyppinen väliseinäsovitin. 6C-tyyppiin verrattuna 6D-sarja on raskaita. Ja kaikki ne löytyvät YH Hydraulicista. Sovittimen liittimet on taottu miedolla teräksellä. Mutta voimme tarjota asiakkaillemme muita materiaaleja.
√ Osanro: 6C (Metrinen uros 24 °: n valon tyyppi)
√ Kokoalue: M12: sta M52: een; Suuremmille tai pienemmille kannattaa ilmoittaa myynnistämme.
√ Tyyppi: Leikkuurenkaalla tai ilman, ja pähkinät ovat myynnissä.
√ Laatu: Valmistettu erittäin tarkasti; hyvä pakattu; paras laatu materiaalia (hiiliteräs)
√ Vakio: Voittaja (sama kuin Eaton); muut vakiotuotteet tarvitsevat osan nro.
√ Pakkaus: laatikot, joissa on muovinen kansi; puukotelo, jossa on muovinen kansi
Metriset laippaliittimet Piirustus
Teknisten tietojen taulukko
| MITAT | ||||
| OSA NO. | THREAD E | TUBE OD D1 | A | S1 |
| 6C-12 | M12x1.5 | 6 | 11 | 12 |
| 6C-14 | M14x1.5 | 8 | 13 | 14 |
| 6C-16 | M16x1.5 | 10 | 13.5 | 17 |
| 6C-18 | M18X1.5 | 12 | 13.5 | 19 |
| 6C-22 | M22X1.5 | 15 | 14 | 24 |
| 6C-26 | M26X1.5 | 18 | 14 | 27 |
| 6C-30 | M30X2 | 22 | 18 | 32 |
| 6C-33 | M33X2 | 25 | 18 | 36 |
| 6C-45 | M45X2 | 35 | 19 | 46 |
| 6C-52 | M52X2 | 42 | 19 | 55 |
| Huomautus: Jos olet halunnut tilata sovittimen täydelliseen sarjaan leikkurirenkaalla ja mutterilla, on välttämätöntä lisätä osanumero "RN". Esimerkiksi: 6C-14RN. Jos tilaat sen leikkurirenkaalla ja mutterilla, aseta jälkiliite ”LN” osan nro. Esimerkiksi “6C-14LN” | ||||
BSPT-urosadapteriliittimet
1QT9 -sarjan liittimet ovat 90 asteen metrinen 74 ° kartio, jossa on BSPT uroskierre. YH on luotettava hydrauliliittimien valmistaja ja myyjä. Tuotteitamme käytetään maatalouden koneessa, autossa, rakentamisessa, konepajakoneissa jne. Ja tuotteet on valmistettu korkean paineen ja sileän pinnan kanssa.
√ Osanro: 1QT9 (90 astetta metristä urosta 74 astetta kartio ja BSPT-uros)
√ Vakio: Voittajan (Eaton) tuotantostandardi
√ Toimitusaika: Alle 45 päivää, riippumatta suuresta tai pienestä tilauksesta.
√ Varusteet: CNC-koneet; automaattinen sorvi; käsi sorvi hiomakone; kierteinen kone; porauskoneet; putken kyynärpää kone; jne.
Ples Näytteenotto: alle 5kpl on ilmainen laadun tarkistamiseen.
BSPT-urosadapteriliittimet Piirustus
Teknisten tietojen taulukko
| LANKA | MITAT | ||||
| OSA NO. | E | F | A | B | S1 |
| 1QT9-12-02 | M12x1.5 | R1 / 8" X28 | 26.5 | 23.5 | 11 |
| 1QT9-12-04 | M12x1.5 | R1 / 4" X19 | 29 | 27 | 14 |
| 1QT9-14-02 | M14x1.5 | R1 / 8" X28 | 29 | 27 | 14 |
| 1QT9-14-04 | M14x1.5 | R1 / 4" X19 | 29 | 27 | 14 |
| 1QT9-16-04 | M16x1.5 | R1 / 4" X19 | 30 | 28 | 17 |
| 1QT9-16-06 | M16x1.5 | R3 / 8" X19 | 30 | 28 | 17 |
| 1QT9-16-08 | M16x1.5 | R1 / 2" X14 | 37 | 37 | 22 |
| 1QT9-18-04 | M18X1.5 | R1 / 4" X19 | 33 | 33 | 19 |
| 1QT9-18-06 | M18X1.5 | R3 / 8" X19 | 33 | 33 | 19 |
| 1QT9-22-06 | M22X1.5 | R3 / 8" X19 | 37 | 37 | 22 |
| 1QT9-22-08 | M22X1.5 | R1 / 2" X14 | 37 | 37 | 22 |
| 1QT9-27-08 | M27X1.5 | R1 / 2" X14 | 43 | 43 | 27 |
| 1QT9-27-12 | M27X1.5 | R3 / 4" X14 | 43 | 43 | 27 |
| 1QT9-27-16 | M27X1.5 | R1" X11 | 52 | 47 | 33 |
| 1QT9-30-12 | M30X2 | R3 / 4" X14 | 52 | 47 | 33 |
| 1QT9-36-16 | M36X2 | R1" X11 | 52 | 47 | 33 |
| 1QT9-39-16 | M39X2 | R1" X11 | 59 | 54 | 44 |
| 1QT9-42-20 | M42X2 | R1.1 / 4" X11 | 59 | 54 | 44 |
| 1QT9-45-16 | M45X2 | R1" X11 | 60 | 57 | 50 |
| 1QT9-45-20 | M45X2 | R1.1 / 4" X11 | 60 | 57 | 50 |
| 1QT9-45-24 | M45X2 | R1.1 / 2" X11 | 60 | 57 | 50 |
Metrinen miesvalon tyyppi
1C-sarja on metrinen uros 24 asteen valotyyppi, jonka koot ovat saatavilla M12: sta M52: een. YH tarjoaa täydellisiä hydraulisen sovittimen varusteita, jotka on viimeistelty ilman teräviä ja teräviä reunoja. Voimme tarjota OEM-palvelua piirustusten, näytteiden tai vaatimusten mukaisesti.
√ Osanumero: 1C (Metrinen uros 24 asteen valotyyppi)
√ Edut: kilpailukykyiset hinnat; luotettava laatu; Korkeatasoinen sileä pinta
√ Pinnoite: sinkitty; kromattu; maalaus; toiset
√ Vakio: perustuu voittajan (Eaton) tuotantoon
√ Paine: 16Mpa - 63Mpa
Metrinen urosvalon tyyppi
Teknisten tietojen taulukko
| MITAT | |||||
| OSA NO. | THREAD E | TUBE OD D1 | A | S1 | L |
| 1C-12 | M12x1.5 | 6 | 11 | 12 | 28 |
| 1C-14 | M14x1.5 | 8 | 13 | 14 | 32 |
| 1C-16 | M16x1.5 | 10 | 13.5 | 17 | 33 |
| 1C-18 | M18X1.5 | 12 | 13.5 | 19 | 33 |
| 1C-22 | M22X1.5 | 15 | 14 | 24 | 35 |
| 1C-26 | M26X1.5 | 18 | 14 | 27 | 38 |
| 1C-30 | M30X2 | 22 | 18 | 32 | 47 |
| 1C-33 | M33X2 | 25 | 18 | 36 | 47 |
| 1C-45 | M45X2 | 35 | 19 | 46 | 51 |
| 1C-52 | M52X2 | 42 | 19 | 55 | 55 |
| Huomautus: Jos olet halunnut tilata sovittimen täydelliseen sarjaan leikkurirenkaalla ja mutterilla, on välttämätöntä lisätä osanumero "RN". Esimerkiksi: 1C-22RN. | |||||
JIS Metric Male Adapters
1K-sarjan sovitinliittimet ovat kierre- tyypin JIS-metrisen uros 60 asteen kartion. JIS on lyhyt japanilaiseen teollisuusstandardiin, joka on eräänlainen metrinen kierre. Päivittäin tuotetut koot näkyvät teknisten tietojen taulukossa, jossa on yksityiskohtaiset tiedot. YH pitää tervetulleena myös asiakaskohtaisia sovittimia, joissa on mukana näytteitä tai piirustuksia.
√ Osanro: 1K (JIS metrinen uros 60 asteen kartio)
√ Pintakäsittely: kolmiarvoinen hopea sinkki; Kolmenarvoinen keltainen sinkki; Kuusiarvoinen keltainen sinkki; Chrome-levy; Sähkö-kiillotus jne
√ Tarkastus: 100% ennen pakkausta
√ Edut: kilpailukykyinen hinta; Luotettava laatu; Vahva tarjonta; Täydellinen pinta
√ Toimitus: Uudelleen valmistetuille tuotteille 25 päivää
JIS Metric Male Adapters Drawing
Teknisten tietojen taulukko
| MITAT | |||||
| OSA NO. | THREAD E | A | B | S1 | L |
| 1K-14 | M14x1.5 | 17 | 17 | 17 | 40 |
| 1K-16 | M16x1.5 | 18 | 18 | 17 | 42 |
| 1K-18 | M18X1.5 | 18 | 18 | 19 | 42 |
| 1K-20 | M20x1,5 | 20 | 20 | 22 | 48 |
| 1K-22 | M22X1.5 | 20 | 20 | 24 | 48 |
| 1K-24 | M24X1.5 | 21.5 | 21.5 | 27 | 53 |
| 1K-30 | M30X1.5 | 26 | 26 | 32 | 63 |
| 1K-33 | M33X1.5 | 30 | 30 | 36 | 71 |
| 1K-36 | M36X1.5 | 33 | 33 | 41 | 78 |
| 1K-42 | M42X1.5 | 36 | 36 | 46 | 85 |
SAE O-rengasletkut
Metrinen sovitinliittimet 1DO-sarja edustaa metristen, 24-asteisten ja SAE-uros-o-renkaiden kierteityyppejä. YH on johtava metrisen sovitinliittimen valmistaja, joka perustuu Winner-tuotannon standardiin. YH voi suunnitella mukautettuja metriikkalaitteita ja letkukokoonpanoja alkuperäisten standardien mukaisesti täydellisten teknisten ominaisuuksien avulla.
√ Osanro: 1DO (metrinen uros 24 astetta raskas, SAE-uroslengaskierre)
√ Merkki: YH; Jos tarvitaan logo-tuotteita, lähetä meille sähköpostia
Izes Koot: teknisten tietojen taulukossa esitetyt tekniset tiedot ovat vakiona. Mutta koon eroa, ota huomioon kyselylistan
√ Toimitusaika: 15 päivän kuluessa; ilmoitettuna laskuna
√ Lähin satama: Ningbo, Kiina
SAE O-rengasletkujen liittimet Piirustus
Teknisten tietojen taulukko
| LANKA | MITAT | ||||||
| OSA NO. | E | F | TUBE OD D1 | A | B | S1 | L |
| 1Älä-16-04 | M16x1.5 | U7 / 16" X20 | 8 | 13.5 | 10 | 17 | 29 |
| 1Älä-18-06 | M18X1.5 | U9 / 16" X18 | 10 | 13.5 | 12 | 19 | 31 |
| 1Älä-20-06 | M20x1,5 | U9 / 16" X18 | 12 | 13.5 | 12 | 22 | 33 |
| 1Älä-20-08 | M20x1,5 | U3 / 4" X16 | 12 | 13.5 | 12 | 24 | 32 |
| 1Älä-24-08 | M24X1.5 | U3 / 4" X16 | 16 | 14 | 12 | 24 | 32 |
| 1Älä-24-10 | M24X1.5 | U7 / 8" X14 | 16 | 14 | 13.5 | 27 | 37 |
| 1Älä-30-08 | M30X2 | U3 / 4" X16 | 20 | 18 | 12 | 32 | 41 |
| 1Älä-30-10 | M30X2 | U7 / 8" X14 | 20 | 18 | 13.5 | 32 | 42 |
| 1Älä-30-12 | M30X2 | U1.1 / 16" X12 | 20 | 18 | 16 | 32 | 45 |
| 1Älä-42-16 | M42X2 | U1.5 / 16" X12 | 30 | 20 | 17 | 46 | 50 |
| 1Älä-42-20 | M42X2 | U1.5 / 8" X12 | 30 | 20 | 18 | 50 | 55 |
| 1Älä-52-20 | M52X2 | U1.5 / 8" X12 | 38 | 22 | 18 | 55 | 57 |
| Huomautus: Jos olet halunnut tilata sovittimen täydelliseen sarjaan leikkurirenkaalla ja mutterilla, on välttämätöntä lisätä osanumero "RN". Esimerkiksi: 1DO-24-10RN. | |||||||
Metrinen naarasletku
Osa nro. BC-sovittimet on taottu ja valmistettu hiiliteräksestä. Ne on viimeistelty kolmiarvoisessa pinnoituksessa ja hinnoiteltu. Tuotteet on pakattu hyvin, jotta vältytään törmäyksiltä ja kostealta. Sovittimet on valmistettu CNC-koneista, jotka voivat pitää korkean tasaisen viimeistelyn ja tarvittavan toleranssin. YH pitää asiakkaan suunnittelemia tuotteita tervetulleina, jos piirustuksia tai näytteitä toimitetaan.
√ Osanro: BC (Metrinen naaras 24 astetta, metrinen uros 24 astetta raskas tyyppi tee)
√ Tyyppi: voidaan varata koko sarja, jossa sovitin leikkurirenkaalla ja mutterilla
√ Materiaali: Hiiliteräs; Ruostumaton teräs
Izes Koot: suosittuja kokoja, jotka näkyvät teknisten tietojen taulukossa; toiset ovat tervetulleita
Q MOQ: 300kpl yksi kohde
Ample Näyte: alle 5 kappaletta on maksutonta varastotilanteen mukaan
Metrinen naarasletkun piirustus
Teknisten tietojen taulukko
| LANKA | TUBE OD | MITAT | ||||||
| OSA NO. | E | F | D1 | D2 | A | C | S1 | S2 |
| BC-12 | M12x1.5 | M12x1.5 | 6 | 6 | 25 | 2 | 14 | 17 |
| BC-14 | M14x1.5 | M14x1.5 | 8 | 8 | 25 | 2 | 14 | 19 |
| BC-16 | M16x1.5 | M16x1.5 | 10 | 10 | 26 | 2 | 17 | 22 |
| BC-18 | M18X1.5 | M18X1.5 | 12 | 12 | 27.5 | 2.5 | 19 | 24 |
| BC-22 | M22X1.5 | M22X1.5 | 15 | 15 | 30 | 3 | 22 | 27 |
| BC-26 | M26X1.5 | M26X1.5 | 18 | 18 | 35 | 3.5 | 24 | 32 |
| BC-30 | M30X2 | M30X2 | 22 | 22 | 40 | 3.5 | 27 | 36 |
| BC-36 | M36X2 | M36X2 | 28 | 28 | 43 | 4 | 33 | 41 |
| Huomautus: Jos olet halunnut tilata sovittimen täydelliseen sarjaan leikkurirenkaalla ja mutterilla, on välttämätöntä lisätä osanumero "RN". Esimerkiksi: BC-30RN. | ||||||||
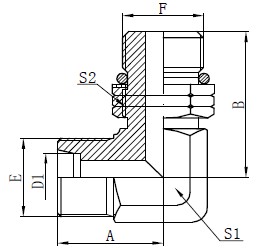
Kyynärpää, säädettävä Stud
1CO9-OG on 90 asteen kyynärpää metrinen uros, jossa on SAE-uros säädettävät nastalangat. Se voidaan valmistaa myös koko sarjaan, joka sopii siihen liittyvään leikkuurenkaaseen ja mutteriin. YH tarjoaa varusteita, jotka tarjoavat vuodotonta ratkaisua. Liittimet yhdistävät yleensä letkukokoonpanon satamaan tai sovittimeen ja valmistetaan täyttämään tai ylittämään SAE-, ISO- ja JIS-standardien vaatimukset teollisuudessa.
√ Osanro: 1CO9-OG (90 asteen metrinen uros 24 asteen valotyyppi, jossa SAE-uros säädettävät nastalangat)
√ Pintakäsittely: kolmiarvoinen hopean sinkki, kolmiarvoinen keltainen sinkki, kuusiarvoinen keltainen sinkki, kromattu levy, sähköpoltto
√ Edut: korkea laatu, täydellinen pinta, tasainen Outlook, vakio toleranssi.
√ Todistus: ISO9001: 2008
√ OEM: Saatavilla
√ Toimitus: 10 päivän kuluessa (vaadittujen erien ja määrien mukaan)
Kyynärpää Mies säädettävä Stud-piirustus
Teknisten tietojen taulukko
| LANKA | MITAT | ||||||
| OSA NO. | E | F | TUBE OD D1 | A | B | S1 | S2 |
| 1CO9-12-04OG | M12x1.5 | U7 / 16" X20 | 6 | 27 | 27.2 | 14 | 17 |
| 1CO9-14-06OG | M14x1.5 | U9 / 16" X18 | 8 | 29 | 31.8 | 17 | 19 |
| 1CO9-16-06OG | M16x1.5 | U9 / 16" X18 | 10 | 29 | 33.3 | 17 | 19 |
| 1CO9-18-08OG | M18X1.5 | U3 / 4" X16 | 12 | 32 | 37.5 | 19 | 24 |
| 1CO9-22-08OG | M22X1.5 | U3 / 4" X16 | 15 | 37 | 44 | 22 | 27 |
| 1CO9-22-10OG | M22X1.5 | U7 / 8" X14 | 15 | 37 | 39.5 | 22 | 24 |
| 1CO9-26-12OG | M26X1.5 | U1.1 / 16" X12 | 18 | 43 | 51 | 27 | 32 |
| 1CO9-30-12OG | M30X2 | U1.1 / 16" X12 | 22 | 43 | 53.5 | 27 | 32 |
| 1CO9-36-16OG | M36X2 | U1.5 / 16" X12 | 28 | 49 | 57.5 | 33 | 41 |
| 1CO9-45-20OG | M45X2 | U1.5 / 8" X12 | 35 | 57 | 63 | 44 | 50 |
| 1CO9-52-20OG | M52X2 | U1.7 / 8" X12 | 42 | 59 | 70.5 | 50 | 55 |
| Huomautus: Jos olet halunnut tilata sovittimen täydelliseen sarjaan leikkurirenkaalla ja mutterilla, on välttämätöntä lisätä osanumero "RN". Esimerkiksi: 1CO9-12-04OG / RN. | |||||||
Metriset uros O-rengasliittimet
Metrinen sovitinliitin 2E9 on sijainniltaan 90 asteen metrinen uroskierre, jossa on metrinen naaraskierre. YH osallistui myös eri lankatyyppien, kuten BSPP: n, BSPT: n, JIS: n, JIC: n, NPT: n, valmistukseen jne. Olemme ylpeitä hyvästä työryhmästä, laajasta valikoimasta laadukkaita varastotuotteita sekä nopeaa ja ystävällistä palvelua asiakkaille .
√ Osanro: 2E9 (90 asteen metrinen uros-rengasmetrinen naaraskierre)
√ Pintakäsittely: kromattu Cr3; sinkitty (keltainen, valkoinen); nikkelillä
√ Edut: Pehmeä pinta ilman pyöreitä ja epäpuhtauksia; valmistettu erittäin tarkasti; nopea toimitus; varastotuotteita näytteinä
√ Asiakaskohtainen palvelu: ei-standardituotteet asiakkaiden piirustuksiin tai näytteisiin
√ Pakkaus: Kartonkipakkaus sitten laatikko tai lava toimitettavaksi
Metriset uros O-rengasliitokset Piirustus
Teknisten tietojen taulukko
| LANKA | MITAT | |||||
| OSA NO. | E | F | A | C | S1 | S2 |
| 2E9-14 | M14x1.5 | M14x1.5 | 29 | 9 | 14 | 19 |
| 2E9-16 | M16x1.5 | M16x1.5 | 30 | 9.5 | 17 | 22 |
| 2E9-18 | M18X1.5 | M18X1.5 | 33 | 9.5 | 19 | 24 |
| 2E9-22 | M22X1.5 | M22X1.5 | 37 | 10 | 22 | 27 |
| 2E9-27 | M27X1.5 | M27X1.5 | 41 | 10.5 | 27 | 32 |
| 2E9-30 | M30X1.5 | M30X1.5 | 49 | 11.5 | 33 | 36 |
| 2E9-36 | M36X2 | M36X2 | 47 | 13.5 | 33 | 41 |
| 2E9-39 | M39X2 | M39X2 | 57 | 13.5 | 44 | 46 |
| 2E9-45 | M45X2 | M45X2 | 55 | 15.5 | 44 | 55 |
| 2E9-52 | M52X2 | M52X2 | 59 | 17.5 | 55 | 60 |
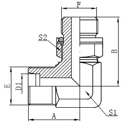
Kyynärpää hydraulisovittimet
Osa nro. 1CH9-OG on 90 ° metrinen uros 24 ° -valoinen säädettävä nastasovitin. Siinä on useita kokoja, jotka näkyvät teknisissä tiedoissa. Ja muutkin koot, YH toivottaa asiakkaat ottamaan yhteyttä myyntiin. 1CH9-OG: n koko on Vitonilla mitoitettu, miksi “OG” laitetaan jokaisen osan jälkeen. Adapterit päällystetään ennen pakkausta sinkillä, kromilla, nikkelillä jne.
√ Osanro: 1CH9-OG (90 asteen metrinen uros 24 astetta LT säädettävä nasta)
√ Tuotantoprosessi: materiaalin valmistelu; instrumentin sorvin käsittely; CNC-koneiden valmistus; poistetaan poroja ja epäpuhtauksia; pinnoite; mittojen ja määrien tarkistaminen; pakkaus; toimittaa tilauksen
√ Ominaisuus: korkea tarkkuus; korkea sileä viimeistely; hyväksyttävä toleranssi
√ Edut: hyvä laatu; kilpailukykyinen hinta; mukava palvelu
Kyynärpää hydraulisovittimet Piirustus
Teknisten tietojen taulukko
| LANKA | MITAT | ||||||
| OSA NO. | E | F | TUBE OD D1 | A | B | S1 | S2 |
| 1CH9-12-10OG | M12x1.5 | M10x1 | 6 | 27 | 26.5 | 14 | 14 |
| 1CH9-14-12OG | M14x1.5 | M12x1.5 | 8 | 27 | 32 | 14 | 17 |
| 1CH9-16-14OG | M16x1.5 | M14x1.5 | 10 | 29 | 34 | 17 | 19 |
| 1CH9-18-16OG | M18X1.5 | M16x1.5 | 12 | 32 | 36 | 19 | 22 |
| 1CH9-22-18OG | M22X1.5 | M18X1.5 | 15 | 37 | 39.5 | 22 | 24 |
| 1CH9-26-22OG | M26X1.5 | M22X1.5 | 18 | 43 | 43.5 | 27 | 27 |
| 1CH9-30-27OG | M30X2 | M27X2 | 25 | 43 | 50 | 27 | 32 |
| 1CH9-36-33OG | M36X2 | M33X2 | 28 | 49 | 54 | 33 | 41 |
| Huomautus: Jos olet halunnut tilata sovittimen täydelliseen sarjaan leikkurirenkaalla ja mutterilla, on välttämätöntä lisätä osanumero "RN". Esimerkiksi: 1CH9-22-18OG / RN. | |||||||






























